Уважаемые клиенты!
В связи с нестабильностью курса и поставок импортной продукции, просим Вас перед оплатой любого счета уточнять информацию о наличии, возможности отгрузки и актуальной цене у менеджеров.
Ситуация постоянно меняется.
Спасибо за понимание!
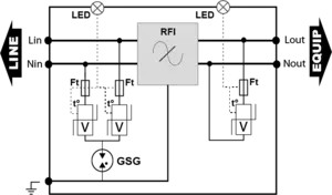
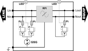
DS-HF-120 УЗИП Тип 2+3. Моноблочный последовательного включения со встроенным ВЧ фильтром. Imax=10kA, IL=16А
Основные характеристики
| Тип УЗИП | 2+3 |
| Сеть | 120 В однофазный |
| Конфигурация нейтрали | TT-TN |
| Номинальное напряжение линии | 120 Vac (Un) |
| Макс. AC рабочее напряжение | 150 Vac (Uc) |
| Макс. линейный ток | 16 A (IL) |
| Временное перенапряжение - 5 сек. | 180 В АС выдерживает (UT) |
| Временное перенапряжение - 120 мин. | 230 В АС выдерживает (UT) |
| Рабочий ток | < 1 mA (Ipe) |
| Рабочий ток | < 1 mA (Ic) |
| Сопровождающий ток | Отсутствует (If) |
| Номинальный ток разряда | 3 kA (In) |
| Макс. ток разряда | 10 kA (Imax) |
| Максимальный ток разряда | 10 kA (Imax Total) |
| Испытание комбинированной волной IEC 61643-11 | 10 kV (Uoc) |
| Стойкость к перенапряжению IEEE C62.41.1 | 10 kV |
| ВЧ фильтр | 0.1 - 30 MHz |
| Конфигурация подключения | L/N/PE |
| Режим(ы) защиты | MC / MD |
| Уровень защиты | 0.6 kV / 0.5 kV (Up) |
| Допустимый ток короткого замыкания | 10 000 A (Isccr) |
| Конфигурация УЗИП | Однофазный |
| Подсоединение к сети | зажим под винт: 0.75 - 4 мм² |
| Формат | Корпус со сменными модулями |
| Монтаж | Симметричная DIN - рейка 35 мм (DIN 60715) |
| Материал корпуса | Термопластик UL94 V-0 |
| Рабочая температура | -40/+85°C (Tu) |
| Уровень защиты | IP20 |
| Действие защиты | Отключение УЗИП - сигнализация |
| Индикатор отключения | Отключение одного или более зеленых светодиодов |
| Размеры | см. схему |
| Соответствие стандартам | IEC 61643-11 / EN 61643-11 / UL1449 изд.4 |
| Сертификация | EAC |
| Терморазмыкатель | внутренний |
| УЗО (если имеется) | Тип 'S' или замедленный |
| Плавкий предохранитель | Тип предохранителя gG - 20 A (если необходимо) |
| Артикул | Продукт | Цена |
|---|---|---|
| 461690 | Узип тип 2 + вч фильтр 120/208 в In 20kA Imax 40Ka | 4 702 руб. |
| 461590 | Узип тип 2 + вч фильтр 230/400 в In 20 Ka Imax 40kA | 4 702 руб. |
| 77945 | Узип тип 2+3. моноблочный последовательного включения со встроенным вч фильтром. Imax=10kA, il=16а | по запросу |
Отправка заказа после получения средств на счет.
Отправка заказа после получения средств на счет. Перевод можно осуществить через онлайн-банкинг.
Заказ можно оплатить картой Visa/MasterCard/МИР в нашем офисе.
Бесплатно доставляем заказы по г. Москва стоимостью от 20 000 Р
111024 г. Москва ул. Авиамоторная, д. 50, стр. 1, подъезд 1, подвал, дверь с надписью «ЭЛЕКТРОЛАЙН ЕВРОТЕХСТРОЙ»
Режим работы: с 9:00 до 18:00 без перерывов.
На ваш выбор: СДЭК, Pony Express, ЖелДор, Деловые линии.
По запросу отправим любой транспортной компанией.
Пока еще никто не написал отзыв о данном товаре.
Electroline.ru (Электролайн.ру) - это официальное интернет-подразделение компании ООО «ААА ЕВРОТЕХСТРОЙ», крупнейшего дистрибьютора низковольтного оборудования в России, который предлагает более 300 000 наименований электрооборудования в наличии и под заказ от ведущих мировых производителей электрооборудования таких как: Eaton, Phoenix Contact, Weidmueller, Legrand, Bticino, ABB, Schneider Electric и др.
Основную номенклатуру продаваемых продуктов составляют: низковольтное оборудование, компоненты промышленной автоматизации, а также различное электроустановочное оборудование (розетки, выключатели, элементы умного дома) и аксессуары.
На сайте Electroline.ru (Электролайн.ру) вы найдете полный список продаваемой продукции ООО «ААА ЕВРОТЕХСТРОЙ». Прием и обработка заказов осуществляется профессиональными сотрудниками компании ООО «ААА ЕВРОТЕХСТРОЙ», которые всегда вас проконсультируют и помогут вам купить электрооборудование по лучшим ценам!
нашего магазина
Точки самовывоза в Москве, курьерская доставка, отправка транспортными компаниями.
Мы является официальными дистрибьюторами и дилерами EATON, Phoenix Contact,Weidmuller, Legrand, BTicino, ABB, Kopos, PCE и многих других.
Мы работаем с 1998 года и поставляем только качественное оборудование нашим клиентам.


